
Z regulowanym progiem asymetrii napięciowej zadziałania. Bez opóźnienia zadziałania. Osobne styki 1NO+1NC (separowane).
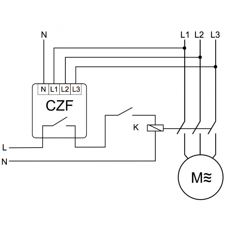
Czujnik zaniku fazy przeznaczony jest do zabezpieczenia silnika elektrycznego zasilanego z sieci trójfazowej w przypadkach zaniku napięcia w co najmniej jednej fazie lub asymetrii napięć między fazami, grożącymi zniszczeniem silnika.
Zanik napięcia w co najmniej jednej, dowolnej fazie lub asymetria napięciowa między fazami powyżej progu zadziałania spowoduje wyłączenie silnika. Wyłączenie nastąpi z opóźnieniem 0,2 s, co zapobiega przypadkowemu odłączeniu silnika przy chwilowym spadku napięcia. Ponowne załączenie nastąpi automatycznie przy wzroście napięcia o 5 V powyżej napięcia zadziałania (ti. o wartość histerezy napięciowej). Przy powyższych anomaliach styk przekaźnika jest rozłączony i uruchomienie silnika jest niemożliwe.
Polski produkt!